浙江冈本电子有限公司
English
全国统一服务热线:0577-62725222
首页
关于我们
关于我们
公司介绍
企业文化
公司环境
企业优势
荣誉资质
产品中心
产品中心
微动开关事业部
传感器事业部
资料下载
电子样本
新闻中心
联系我们
产品展示
当前位置:
首页
产品中心
微动开关事业部
RS847 IP67系列
微动开关事业部
传感器事业部
RS系列
RD2FW IP67系列
RV系列
RZ系列
RX系列
RDZ系列
RA系列
RCSK系列
RS847 IP67系列
RLXW20系列
RLXW24 IP67防水系列
RLXW32系列
RLXW33系列
LX19K-B/RXW2-11系列
RLXW35-11/RLXW25-22系列
RT系列
RME系列
RWL系列
RLS系列
RSA系列
RHL系列
RBSN/RCZ系列
RFS系列
RY系列
RM系列
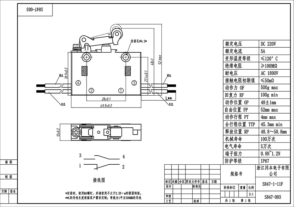
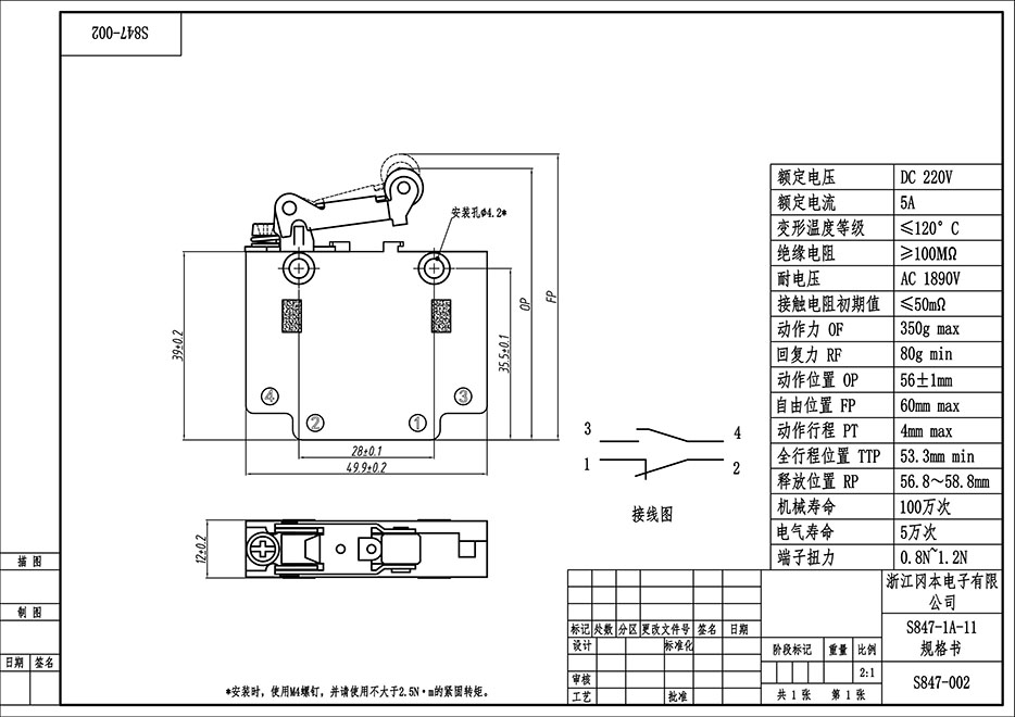
RS847 IP67防水型微动开关
产品参数 Details
在线订购
上一个:RCSK-1-44
下一个:RLXW20-11
返回列表
相关产品
Size
RML系列电感式传感器 交流2线
查看详情
Size
RV-162-1C25
查看详情
Size
RZ-15HW52-B3
查看详情
Size
RZ-15GQ8-B3
查看详情
点击隐藏
在线客服
电话
0577-62725222
微信