浙江冈本电子有限公司
English
全国统一服务热线:0577-62725222
首页
关于我们
关于我们
公司介绍
企业文化
公司环境
企业优势
荣誉资质
产品中心
产品中心
微动开关事业部
传感器事业部
资料下载
电子样本
新闻中心
联系我们
产品展示
当前位置:
首页
产品中心
传感器事业部
传感器分线盒M8系列
微动开关事业部
传感器事业部
圆柱形电感式接近开关
方形电感式接近开关
圆柱形电容式接近开关
圆柱形光电式开关
方形光电式开关
小型光电式开关
激光传感器系列
光纤系列
简易光纤放大器系列
数显光纤放大器系列
通用型区域光幕
超薄型区域光幕
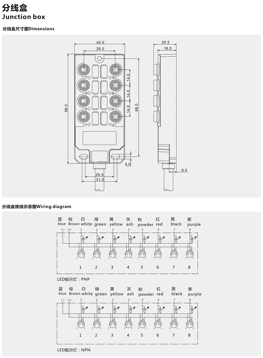
传感器分线盒M8系列
传感器分线盒M12系列
传感器测试仪
RC系列分线盒
产品参数 Details
在线订购
上一个:RA系列超薄型区域光栅
下一个:RC系列分线盒
返回列表
相关产品
Size
RMS系列电感式传感器 直流3线
查看详情
Size
RV-16-1E5
查看详情
Size
RFS-302
查看详情
Size
RC系列电容式传感器 交流2线
查看详情
点击隐藏
在线客服
电话
0577-62725222
微信